

Note:
1. can produce special specifications or high precision products according to user eeds.
2. The current transformer can use one of the changes in the course of use, and several rato can not be used at the same fime.
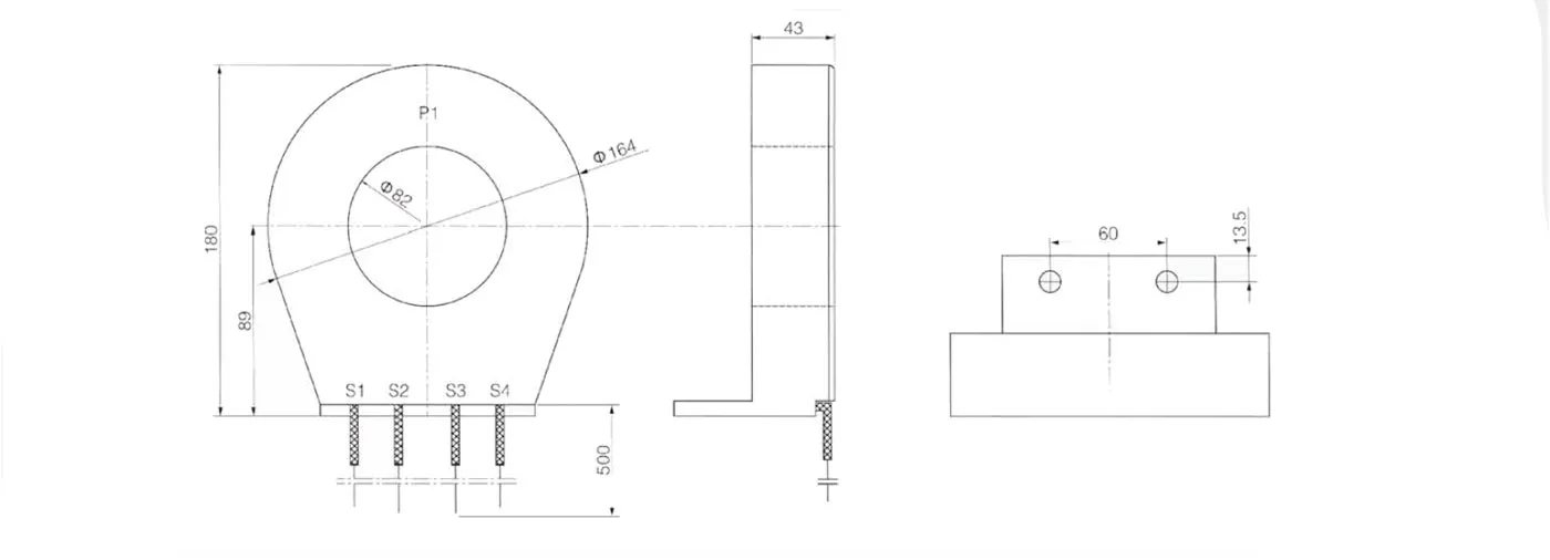
3. This type of current transforer is a new patented product specilly developed by our pany, which is inteligent, lightweight and special for powei system. It is smal in volume. icht n welght and reasonable in combinaton. Can be realizedA. BC three phase protection and zero seauence groundino protection.

GET A QUOTE